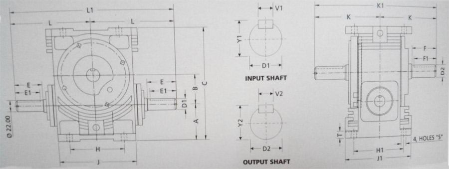
Technical Specification
| Size | A | B | C | D1 | E | E1 | D2 | F | F1 | H | H1 | J | J1 | L | L1 | K | K1 | K2 | J2 | Z | T | T1 | V1 | Y1 | V2 | Y2 | S | Wt. (kg) | Oil Cap. |
| 1.75" | 60 | 44.45 | 180 | 16.00 | 35 | 30 | 22.00 | 50 | 45 | 120 | 95 | 146 | 118 | 120 | 240 | 116 | 99 | 215 | 135 | 106 | 14 | 14 | 5 | 18.5 | 6 | 25 | 11 | 13.00 | 350 gm. |
| 2.00" | 64 | 50.80 | 200 | 16.00 | 40 | 35 | 25.00 | 55 | 50 | 114 | 106 | 140 | 128 | 130 | 260 | 126 | 99 | 225 | 135 | 106 | 13 | 14 | 5 | 18.5 | 8 | 29 | 11 | 15.00 | 500 gm. |
| 2.25" | 70 | 57.15 | 225 | 22.00 | 50 | 45 | 25.00 | 60 | 55 | 105 | 105 | 150 | 140 | 155 | 310 | 130 | 104 | 234 | 150 | 125 | 14 | 15 | 6 | 25 | 8 | 29 | 11 | 18.00 | 600 gm. |
| 2.50" | 75 | 63.50 | 245 | 22.00 | 55 | 50 | 28.00 | 60 | 55 | 120 | 140 | 158 | 170 | 160.5 | 321 | 147 | 118 | 265 | 150 | 125 | 18 | 15 | 6 | 25 | 8 | 32 | 11 | 24.00 | 900 gm. |
| 3.00" | 102 | 76.20 | 290 | 25.00 | 55 | 50 | 38.00 | 67 | 65 | 140 | 160 | 180 | 190 | 170 | 340 | 170 | 132 | 302 | 240 | 191 | 18 | 18 | 8 | 28 | 10 | 43 | 14 | 35.00 | 1.600 gm. |











